VS1-12型側裝式真空斷路器系戶內高壓開關設備,適用于額定電壓12干伏、頻率50Hz的三相電力系統中,作為保護和控制電器使用,由于真空斷路器的特別優良性,尤其適用于需要額定電流下的頻繁操作,或多次開斷短路電流的場所。
概述
VS1-12型側裝式真空斷路器系戶內高壓開關設備,適用于額定電壓12干伏、頻率50Hz的三相電力系統中,作為保護和控制電器使用,由于真空斷路器的特別優良性,尤其適用于需要額定電流下的頻繁操作,或多次開斷短路電流的場所。
VS1-12型例裝式真空斷路器采用固定式安裝,主要用于固定式開關柜,該斷中器既可單獨使用,又可用于環網供電、箱式變或各種非標供電系統。
主要技術參數

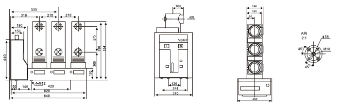
外形及安裝尺寸
